
Hi, I'm Eric Tien from Taiwan 🇹🇼
Experienced in Software Development,
IC Design, and AI
Worked at Intel and CosmicQuant
About me
I'm Yun-Yao Tien, a Master's student at National Taiwan University specializing in Electrical Engineering. My passion lies in Electronic Design Automation and AI. With experience as a Software Engineer and an Intel intern, I bring a blend of practical skills in system validation, high-frequency trading systems, and distributed timing analysis. I thrive on challenges that blend hardware and software, aiming to innovate in EECS.
When I'm not engaged in tech, I'm an enthusiast in badminton and outdoor activities, finding balance and inspiration in physical activities. Alongside this, I enjoy exploring new tech trends, staying at the forefront of innovations in AI and parallel computing. I am passionate about both my professional growth and personal hobbies, excited about the future!
My projects
Smart Cycling IoT Application
Created an IoT application for smart cycling, integrating sensor data with real-time analytics for enhanced cycling experience.
- Embedded Systems
- C++
- Swift
- Github
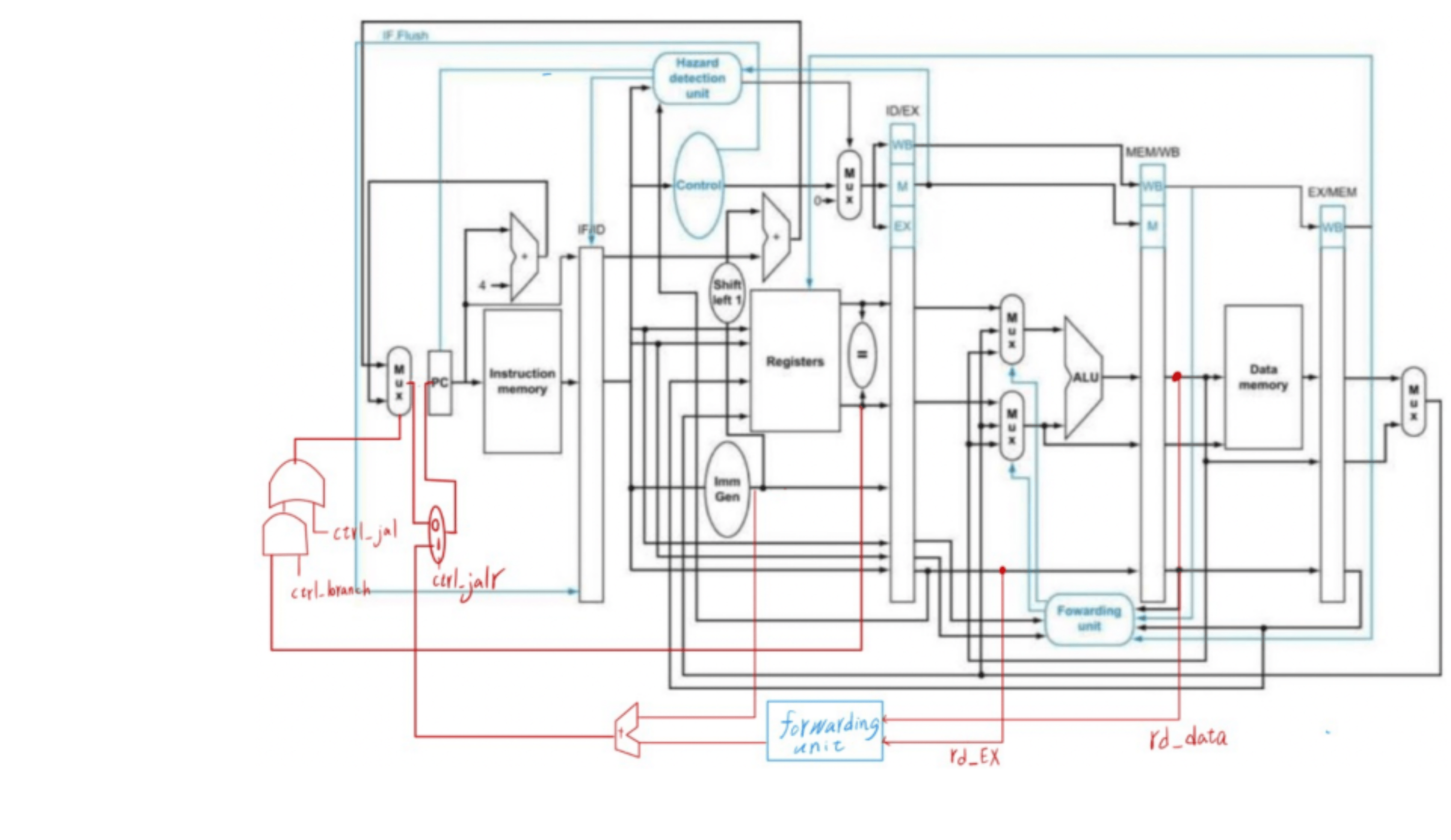
RISC-V Pipeline CPU Design
Implemented and optimized a 5-stage pipelined RISC-V, with branch predictor, L2 cache, and RVC.
- IC Design
- Verilog
- Github
Sambo Terminator: Neuro Traffic Aid
Engineered a predictive system for identifying turning intentions using EEG signals and a custom CNN model, aiming to enhance traffic safety.
- Machine Learning
- Bioinformatics
- Python
- Github
Functionally Reduced And-Inverter Circuit
Engineered a predictive system for identifying turning intentions using EEG signals and a custom CNN model, aiming to enhance traffic safety.
- Data Structure
- C++
- Github
My skills
- C++
- Python
- Verilog
- Data Analysis
- Embedded Systems
- Digital System Design
- Machine Learning
- Parallel Programming
- Electrical Engineering
- Algorithm Design
- Artificial Intelligence (AI)
My experience
Cosmic Quant Inc.
Software Engineer Part-time
Developed a high-frequency trading system, enhancing the algorithm efficiency and data processing.
2023National Taiwan University
Teaching Assistant (Switching Circuit and Logic Design)
Lectured weekly problem-solving sessions and provided targeted exercises.
2023National Taiwan University
Graduate Research Assistant
Proposed a novel scheduling algorithm for distributed timing analysis in VLSI circuits. Advisor: Prof. Hui-Ru Jiang.
2022 - 2023Intel - Data Center and AI Group
Validation Engineer Intern
Focused on system-level validation and debugging of High-Speed IO devices.
2021 - 2022National Taiwan University
Independent Research (NLP)
Built an open-domain chatbot using GPT2, reinforcement learning (PPO2), and a self-designed persona selector to enhance the engagement of the interlocutor. Advisor: Prof. Hung-Yi Lee.
2021National Taiwan University
Teaching Assistant (Machine Learning)
Designed in-class competition about Network Compression and held TA hours for 1400+ students.
2021





